お問い合わせ
|
サイトマップ
|
プライバシーポリシー
ピックアップ商品
・
溝付ナット
小ねじ
組込みねじ
タッピンねじ
いたずら防止ねじ
ボルト
キャップホーロー
ドリルねじ
ピアス
建材用
座金
六角ナット
ナット
戻り止めナット
ツマミねじ
樹脂製品
アンカーボルト
ピン・止め輪・リベット等
寸切・長ねじ
パック商品
特殊ねじ・バネ・端子
工具類
ポップ商品等
便利品
金具類
アジャスター・キャスター類
ムラコシ製品等
ドライブイット製品他
マイクロねじ
タップタイト・ハイテクネジ
配管材
安全保護具
砥石・チップソー
輸入品
新商品
商品名
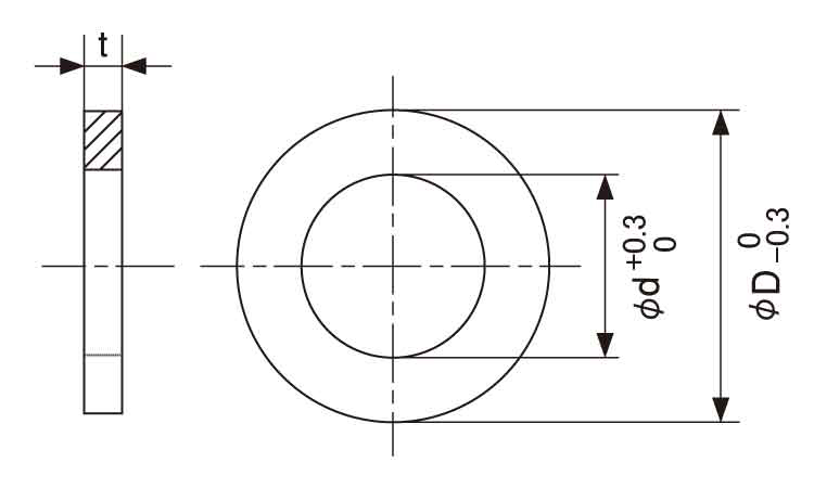
シムワッシャー(T=1.0
サイズ表
種類を選択してください
材質:
ステンレス(303、304、XM7等)
表面処理:
W0-4100...
生地(または標準)
M3.0
SUSシムワッシャー(T=1.0
M5.0
SUSシムワッシャー(T=1.0
M15.0
SUSシムワッシャー(T=1.0
6
○
10
○
18
○
20
○
図面
規格
一覧を見る